注意:访问本站需要Cookie和JavaScript支持!请设置您的浏览器! 打开购物车 查看留言付款方式联系我们
初中电子 单片机教材一 单片机教材二
搜索上次看见的商品或文章:
商品名、介绍 文章名、内容
首页 电子入门 学单片机 免费资源 下载中心 商品列表 象棋在线 在线绘图 加盟五一 加入收藏 设为首页
本站推荐:
23. 模拟计算器数字输入及显示
文章长度[] 加入时间[2008/5/30] 更新时间[2026/4/12 9:15:20] 级别[0] [评论] [收藏]
 
1. 实验任务
(1.       开机时,显示“0”
(2.       第一次按下时,显示“D1”;第二次按下时,显示“D1D2”;第三按下时,显示“D1D2D3”,8个全显示完毕,再按下按键下时,给出“嘀”提示音。
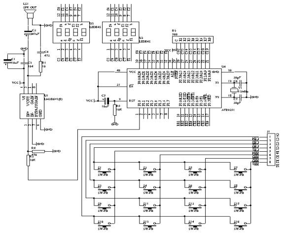
2. 电路原理图
图4.23.1
3.  系统板上硬件连线
(1.       把“单片机系统”区域中的P1.0端口用导线连接到“音频放大模块”区域中的SPK IN端口上;
(2.       把“单片机系统“区域中的P3.0-P3.7端口用8芯排线连接到“4X4行列式键盘”区域中的C1-C4 R1-R4端口上;
(3.       把“单片机系统”区域中的P0.0-P0.7端口用8芯排线连接到“动态数码显示”区域中的A-H端口上;
(4.       把“单片机系统:区域中的P2.0-P2.7端口用8芯排线连接到“动态数码显示”区域中的S1-S8端口上;
4. 相关程序设计内容
(1.       行列式键盘输入及按键功能设定;
(2.       动态数码显示;
(3.       数码显示方式处理;
5. 汇编源程序
(略)
6. C语言源程序
#include <AT89X51.H>
unsigned char code dispcode[]={0x3f,0x06,0x5b,0x4f,0x66,0x6d,0x7d,0x07,
0x7f,0x6f,0x77,0x7c,0x39,0x5e,0x79,0x71,0x00};
unsigned char code dispbitcode[]={0xfe,0xfd,0xfb,0xf7,0xef,0xdf,0xbf,0x7f};
unsigned char dispbuf[8]={0,16,16,16,16,16,16,16};
unsigned char dispbitcount;
unsigned char temp;
unsigned char i,j;
unsigned char key;
unsigned char keypos;
bit alarmflag;
void change(unsigned char *p,unsigned char count)
{
  while(count>0)
    {
      *(p+count)=*(p+count-1);
      count--;
    }
}
void main(void)
{
  TMOD=0x01;
  TH0=(65536-4000) / 256;
  TL0=(65536-4000) % 256;
  TR0=1;
  ET0=1;
  EA=1;
  while(1)
    {
      P3=0xff;
      P3_4=0;
      temp=P3;
      temp=temp & 0x0f;
      if (temp!=0x0f)
        {
          for(i=50;i>0;i--)
          for(j=200;j>0;j--);
          temp=P3;
          temp=temp & 0x0f;
          if (temp!=0x0f)
            {
              temp=P3;
              temp=temp & 0x0f;             
              switch(temp)
                {
                  case 0x0e:
                    key=7;
                    break;
                  case 0x0d:
                    key=8;
                    break;
                  case 0x0b:
                    key=9;
                    break;
                  case 0x07:
                    key=10;
                    break;
                }
              if ((key>=0) && (key<10))
              {
                keypos++;
                if(keypos<8)
                  {
                    change(dispbuf,keypos);
                    dispbuf[0]=key;
                  }
                  else
                    {
                      keypos=8;
                      alarmflag=1;
                    }
              }
              temp=P3;
              P1_0=~P1_0;
              temp=temp & 0x0f;             
              while(temp!=0x0f)
                {
                  temp=P3;
                  temp=temp & 0x0f;             
                }
              alarmflag=0;
            }
        }
      P3=0xff;
      P3_5=0;
      temp=P3;
      temp=temp & 0x0f;
      if (temp!=0x0f)
        {
          for(i=50;i>0;i--)
          for(j=200;j>0;j--);
          temp=P3;
          temp=temp & 0x0f;
          if (temp!=0x0f)
            {
              temp=P3;
              temp=temp & 0x0f;             
              switch(temp)
                {
                  case 0x0e:
                    key=4;
                    break;
                  case 0x0d:
                    key=5;
                    break;
                  case 0x0b:
                    key=6;
                    break;
                  case 0x07:
                    key=11;
                    break;
                }
              if ((key>=0) && (key<10))
              {
                keypos++;
                if(keypos<8)
                  {
                    change(dispbuf,keypos);
                    dispbuf[0]=key;
                  }
                  else
                    {
                      keypos=8;
                      alarmflag=1;
                    }
              }
              temp=P3;
              P1_0=~P1_0;
              temp=temp & 0x0f;             
              while(temp!=0x0f)
                {
                  temp=P3;
                  temp=temp & 0x0f;             
                }
              alarmflag=0;
            }
        }
      P3=0xff;
      P3_6=0;
      temp=P3;
      temp=temp & 0x0f;
      if (temp!=0x0f)
        {
          for(i=50;i>0;i--)
          for(j=200;j>0;j--);
          temp=P3;
          temp=temp & 0x0f;
          if (temp!=0x0f)
            {
              temp=P3;
              temp=temp & 0x0f;             
              switch(temp)
                {
                  case 0x0e:
                    key=1;
                    break;
                  case 0x0d:
                    key=2;
                    break;
                  case 0x0b:
                    key=3;
                    break;
                  case 0x07:
                    key=12;
                    break;
                }
              if ((key>=0) && (key<10))
              {
                keypos++;
                if(keypos<8)
                  {
                    change(dispbuf,keypos);
                    dispbuf[0]=key;
                  }
                  else
                    {
                      keypos=8;
                      alarmflag=1;
                    }
              }
              temp=P3;
              P1_0=~P1_0;
              temp=temp & 0x0f;             
              while(temp!=0x0f)
                {
                  temp=P3;
                  temp=temp & 0x0f;              
                }
              alarmflag=0;
            }
        }
      P3=0xff;
      P3_7=0;
      temp=P3;
      temp=temp & 0x0f;
      if (temp!=0x0f)
        {
          for(i=50;i>0;i--)
          for(j=200;j>0;j--);
          temp=P3;
          temp=temp & 0x0f;
          if (temp!=0x0f)
            {
              temp=P3;
              temp=temp & 0x0f;             
              switch(temp)
                {
                  case 0x0e:
                    key=0;
                    break;
                  case 0x0d:
                    key=13;
                    break;
                  case 0x0b:
                    key=14;
                    break;
                  case 0x07:
                    key=15;
                    break;
                }
              if ((key>=0) && (key<10))
              {
                keypos++;
                if(keypos<8)
                  {
                    change(dispbuf,keypos);
                    dispbuf[0]=key;
                  }
                  else
                    {
                      keypos=8;
                      alarmflag=1;
                    }
              }
              temp=P3;
              P1_0=~P1_0;
              temp=temp & 0x0f;             
              while(temp!=0x0f)
                {
                  temp=P3;
                  temp=temp & 0x0f;             
                }
              alarmflag=0;
            }
        }
    }
}
void t0(void) interrupt 1 using 0
{
  TH0=(65536-4000) / 256;
  TL0=(65536-4000) % 256;
  P0=dispcode[dispbuf[dispbitcount]];
  P2=dispbitcode[dispbitcount];
  dispbitcount++;
  if (dispbitcount==8)
    {
      dispbitcount=0;
    }
  if (alarmflag==1)
    {
      P1_1=~P1_1;
    }
}
1、 本站不保证以上观点正确,就算是本站原创作品,本站也不保证内容正确。
2、如果您拥有本文版权,并且不想在本站转载,请书面通知本站立即删除并且向您公开道歉! 以上可能是本站收集或者转载的文章,本站可能没有文章中的元件或产品,如果您需要类似的商品请 点这里查看商品列表!
本站协议 | 版权信息 |  关于我们 |  本站地图 |  营业执照 |  发票说明 |  付款方式 |  联系方式
深圳市宝安区西乡五壹电子商行——粤ICP备16073394号-1;地址:深圳西乡河西四坊183号;邮编:518102
E-mail:51dz$163.com($改为@);Tel:(0755)27947428
工作时间:9:30-12:00和13:30-17:30和18:30-20:30,无人接听时可以再打手机13537585389