| 注意:访问本站需要Cookie和JavaScript支持!请设置您的浏览器! • 打开购物车 • 查看留言 • 付款方式 • 联系我们 |
![]() |
| 首页 | 电子入门 | 学单片机 | 免费资源 | 下载中心 | 商品列表 | 象棋在线 | 在线绘图 | 加盟五一 | 加入收藏 | 设为首页 |
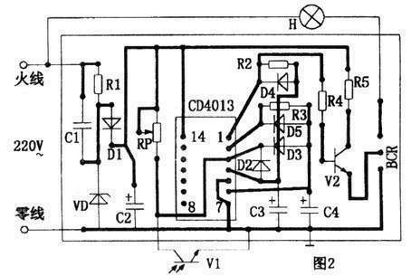
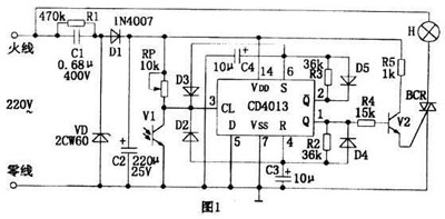
| 选择分类:当前分类——套件实验 相关联或者相类似的文章: 电容降压的工作原理(491) 转载收藏——强烈质疑AVR单片机!(491) ++ 电热毯温控器&n(491) 浅谈调频发射机的制作及调试(489) 午夜鬼网(488) 电子实验套件如何接6V电源(488) 17. 99秒马表设计(487) 场效应管(487) 红外线探测报警器的制作(487) 自制无源RS232-485转换器(486) 网上棋牌乐象棋棋谱库-布局研究(486) FY0202解码与管理一体化芯片简介(485) 自制示温蜡片和热敏变色漆(485) 希腊神话九头蛇许德拉(485) 怎样拆卸电路板上的集成电路块(485) 强列推荐:【手】被忽视的学习官能 (484) 详细讲解:电声器件 (484) 自制51芯片仿真器完全手册(484) CMOS集成电路的性能及特点(483) *避雷针(483) 首页 前页 后页 尾页 本站推荐: | 电子实验套件如何接6V电源 在些施工单位将建筑材料成建筑垃圾堆放在人行道上(有公安部门颁发的暂时许可证),但在晚上由于缺乏照明,很多行人为之摔跤。本文介绍的这种路障照明灯,白天不工作,夜晚自动工作,方便了行路人。 1、电路工作原理 ![]() 该照明灯电路如图1所示。C1、C2、D1、VD组成电容降压式半波整波滤电路,在C2两端得稳定的12V直流电源供电路使用。IC是一只D型触发器,与R2、C3及R3、R4、D2、D3构成一个可控自激多谐振荡器。当其触输入端CL为低电平时,由于二极管D2、D3的箝位作用,振荡器停振;当CL端为高电平时,振荡器工作,从Q端输出振荡脉冲,振荡周期T=0.7(R2C3+R3C4)。 V1是光敏三极管,白天有光照射时,V1呈低阻,其集电极电位为低,IC振荡电路不工作,Q端无振荡脉冲输出。晶体管V2不工作,双向可控硅BCR截止,灯泡H不发亮。在夜晚,V1无光线照射呈高阻,其集电极电位为高,IC振荡电路起振,Q端输出振荡脉冲,经V2放大触发BCR导通,灯泡H发出闪光。 2、元件选择与制作 ![]() IC选用双D触发器CD4013(只用其中一只触发器)。V1选用3DU2光敏三极管。V2选用9013等NPN型硅晶体管,β>100。BCR选用3A600V双向可控硅TLC336或TLC386。D2~D5选用IN4148开关二极管。H选用220V,25W或40W红色灯泡。其余元件参数如图1所示。 图2是该电路印制线路板。除V1、H外,全部元件装焊在印制板上。焊接时,要使用电烙铁有良好接地,以免损坏CD4013电路。调节R2、R3阻值,使IC振荡周期为0.5秒,即1秒钟发出2个振荡脉冲。调试时要注意印板上有市有火线,防止触电。调节RP,可调节V1灵敏度. 1、 本站不保证以上观点正确,就算是本站原创作品,本站也不保证内容正确。 2、如果您拥有本文版权,并且不想在本站转载,请书面通知本站立即删除并且向您公开道歉! |
|
本站协议 |
版权信息 |
关于我们 |
本站地图 |
营业执照 |
发票说明 |
付款方式 |
联系方式
深圳市宝安区西乡五壹电子商行——粤ICP备16073394号-1;地址:深圳西乡河西四坊183号;邮编:518102 E-mail:51dz$163.com($改为@);Tel:(0755)27947428 工作时间:9:30-12:00和13:30-17:30和18:30-20:30,无人接听时可以再打手机13537585389 |