进入框架页面 

23. 模拟计算器数字输入及显示

1. 实验任务

(1. 开机时,显示“0”

(2. 第一次按下时,显示“D1”;第二次按下时,显示“D1D2”;第三按下时,显示“D1D2D3”,8个全显示完毕,再按下按键下时,给出“嘀”提示音。

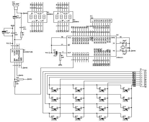
2. 电路原理图

图4.23.1

3. 系统板上硬件连线

(1. 把“单片机系统”区域中的P1.0端口用导线连接到“音频放大模块”区域中的SPK IN端口上;

(2. 把“单片机系统“区域中的P3.0-P3.7端口用8芯排线连接到“4X4行列式键盘”区域中的C1-C4 R1-R4端口上;

(3. 把“单片机系统”区域中的P0.0-P0.7端口用8芯排线连接到“动态数码显示”区域中的A-H端口上;

(4. 把“单片机系统:区域中的P2.0-P2.7端口用8芯排线连接到“动态数码显示”区域中的S1-S8端口上;

4. 相关程序设计内容

(1. 行列式键盘输入及按键功能设定;

(2. 动态数码显示;

(3. 数码显示方式处理;
5. 汇编源程序
(略)
6. C语言源程序
#include <AT89X51.H>

unsigned char code dispcode[]={0x3f,0x06,0x5b,0x4f,0x66,0x6d,0x7d,0x07,
0x7f,0x6f,0x77,0x7c,0x39,0x5e,0x79,0x71,0x00};
unsigned char code dispbitcode[]={0xfe,0xfd,0xfb,0xf7,0xef,0xdf,0xbf,0x7f};
unsigned char dispbuf[8]={0,16,16,16,16,16,16,16};
unsigned char dispbitcount;
unsigned char temp;
unsigned char i,j;
unsigned char key;
unsigned char keypos;
bit alarmflag;

void change(unsigned char *p,unsigned char count)
{
while(count>0)
{
*(p+count)=*(p+count-1);
count--;
}
}

void main(void)
{
TMOD=0x01;
TH0=(65536-4000) / 256;
TL0=(65536-4000) % 256;
TR0=1;
ET0=1;
EA=1;

while(1)
{
P3=0xff;
P3_4=0;
temp=P3;
temp=temp & 0x0f;
if (temp!=0x0f)
{
for(i=50;i>0;i--)
for(j=200;j>0;j--);
temp=P3;
temp=temp & 0x0f;
if (temp!=0x0f)
{
temp=P3;
temp=temp & 0x0f;
switch(temp)
{
case 0x0e:
key=7;
break;
case 0x0d:
key=8;
break;
case 0x0b:
key=9;
break;
case 0x07:
key=10;
break;
}
if ((key>=0) && (key<10))
{
keypos++;
if(keypos<8)
{
change(dispbuf,keypos);
dispbuf[0]=key;
}
else
{
keypos=8;
alarmflag=1;
}
}
temp=P3;
P1_0=~P1_0;
temp=temp & 0x0f;
while(temp!=0x0f)
{
temp=P3;
temp=temp & 0x0f;
}
alarmflag=0;
}
}

P3=0xff;
P3_5=0;
temp=P3;
temp=temp & 0x0f;
if (temp!=0x0f)
{
for(i=50;i>0;i--)
for(j=200;j>0;j--);
temp=P3;
temp=temp & 0x0f;
if (temp!=0x0f)
{
temp=P3;
temp=temp & 0x0f;
switch(temp)
{
case 0x0e:
key=4;
break;
case 0x0d:
key=5;
break;
case 0x0b:
key=6;
break;
case 0x07:
key=11;
break;
}
if ((key>=0) && (key<10))
{
keypos++;
if(keypos<8)
{
change(dispbuf,keypos);
dispbuf[0]=key;
}
else
{
keypos=8;
alarmflag=1;
}
}
temp=P3;
P1_0=~P1_0;
temp=temp & 0x0f;
while(temp!=0x0f)
{
temp=P3;
temp=temp & 0x0f;
}
alarmflag=0;
}
}

P3=0xff;
P3_6=0;
temp=P3;
temp=temp & 0x0f;
if (temp!=0x0f)
{
for(i=50;i>0;i--)
for(j=200;j>0;j--);
temp=P3;
temp=temp & 0x0f;
if (temp!=0x0f)
{
temp=P3;
temp=temp & 0x0f;
switch(temp)
{
case 0x0e:
key=1;
break;
case 0x0d:
key=2;
break;
case 0x0b:
key=3;
break;
case 0x07:
key=12;
break;
}
if ((key>=0) && (key<10))
{
keypos++;
if(keypos<8)
{
change(dispbuf,keypos);
dispbuf[0]=key;
}
else
{
keypos=8;
alarmflag=1;
}
}
temp=P3;
P1_0=~P1_0;
temp=temp & 0x0f;
while(temp!=0x0f)
{
temp=P3;
temp=temp & 0x0f;
}
alarmflag=0;
}
}

P3=0xff;
P3_7=0;
temp=P3;
temp=temp & 0x0f;
if (temp!=0x0f)
{
for(i=50;i>0;i--)
for(j=200;j>0;j--);
temp=P3;
temp=temp & 0x0f;
if (temp!=0x0f)
{
temp=P3;
temp=temp & 0x0f;
switch(temp)
{
case 0x0e:
key=0;
break;
case 0x0d:
key=13;
break;
case 0x0b:
key=14;
break;
case 0x07:
key=15;
break;
}
if ((key>=0) && (key<10))
{
keypos++;
if(keypos<8)
{
change(dispbuf,keypos);
dispbuf[0]=key;
}
else
{
keypos=8;
alarmflag=1;
}
}
temp=P3;
P1_0=~P1_0;
temp=temp & 0x0f;
while(temp!=0x0f)
{
temp=P3;
temp=temp & 0x0f;
}
alarmflag=0;
}
}

}
}

void t0(void) interrupt 1 using 0
{
TH0=(65536-4000) / 256;
TL0=(65536-4000) % 256;
P0=dispcode[dispbuf[dispbitcount]];
P2=dispbitcode[dispbitcount];
dispbitcount++;
if (dispbitcount==8)
{
dispbitcount=0;
}
if (alarmflag==1)
{
P1_1=~P1_1;
}
}


以上资料来自于互联网!编辑整理:五一电子加油站;网址:http://51dz.com
欢迎光临五一电子商城!免费学习电子技术,面向全国邮购电子元件、实验套件!