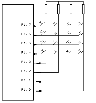
在键盘中按键数量较多时,为了减少I/O口的占用,通常将按键排列成矩阵形式,如图1所示。在矩阵式键盘中,每条水平线和垂直线在交叉处不直接连通,而是通过一个按键加以连接。这样,一个端口(如P1口)就可以构成4*4=16个按键,比之直接将端口线用于键盘多出了一倍,而且线数越多,区别越明显,比如再多加一条线就可以构成20键的键盘,而直接用端口线则只能多出一键(9键)。由此可见,在
![]() |
需要的键数比较多时,采用矩阵法来做键盘是合理的。
矩阵式结构的键盘显然比直接法要复杂一些,识别也要复杂一些,上图中,列线通过电阻接正电源,并将行线所接的单片机的I/O口作为输出端,而列线所接的I/O口则作为输入。这样,当按键没有按下时,所有的输出端都是高电平,代表无键按下。行线输出是低电平,一旦有键按下,则输入线就会被拉低,这样,通过读入输入线的状态就可得知是否有键按下了。具体的识别及编程方法如下所述。
确定矩阵式键盘上何键被按下介绍一种“行扫描法”。
行扫描法 行扫描法又称为逐行(或列)扫描查询法,是一种最常用的按键识别方法,如上图所示键盘,介绍过程如下。
下面给出一个具体的例子:
图仍如上所示。8031单片机的P1口用作键盘I/O口,键盘的列线接到P1口的低4位,键盘的行线接到P1口的高4位。列线P1.0-P1.3分别接有4个上拉电阻到正电源+5V,并把列线P1.0-P1.3设置为输入线,行线P1.4-P.17设置为输出线。4根行线和4根列线形成16个相交点。
P1.7 1 1 1 0
P1.6 1 1 0 1
P1.5 1 0 1 1
P1.4 0 1 1 1
在每组行输出时读取P1.0-P1.3,若全为“1”,则表示为“0”这一行没有键闭合,否则有键闭合。由此得到闭合键的行值和列值,然后可采用计算法或查表法将闭合键的行值和列值转换成所定义的键值
![]() |
![]() |
键盘扫描程序:
从以上分析得到键盘扫描程序的流程图如图2所示。程序如下
SCAN: MOV P1,#0FH
MOV A,P1
ANL A,#0FH
CJNE A,#0FH,NEXT1
SJMP NEXT3
NEXT1: ACALL D20MS
MOV A,#0EFH
NEXT2: MOV R1,A
MOV P1,A
MOV A,P1
ANL A,#0FH
CJNE A,#0FH,KCODE;
MOV A,R1
SETB C
RLC A
JC NEXT2
NEXT3: MOV R0,#00H
RET
KCODE: MOV B,#0FBH
NEXT4: RRC A
INC B
JC NEXT4
MOV A,R1
SWAP A
NEXT5: RRC A
INC B
INC B
INC B
INC B
JC NEXT5
NEXT6: MOV A,P1
ANL A,#0FH
CJNE A,#0FH,NEXT6
MOV R0,#0FFH
RET
键盘处理程序就作这么一个简单的介绍,实际上,键盘、显示处理是很复杂的,它往往占到一个应用程序的大部份代码,可见其重要性,但说到,这种复杂并不来自于单片机的本身,而是来自于操作者的习惯等等问题,因此,在编写键盘处理程序之前,最好先把它从逻辑上理清,然后用适当的算法表示出来,最后再去写代码,这样,才能快速有效地写好代码。
到本课为止,本站教程暂告一个段落!感谢大家的关心和支持!