注意:访问本站需要Cookie和JavaScript支持!请设置您的浏览器! 打开购物车 查看留言付款方式联系我们
初中电子 单片机教材一 单片机教材二
搜索上次看见的商品或文章:
商品名、介绍 文章名、内容
首页 电子入门 学单片机 免费资源 下载中心 商品列表 象棋在线 在线绘图 加盟五一 加入收藏 设为首页
本站推荐:
[原创]用PCF8563时钟芯片遇到的问题
文章长度[] 加入时间[2008/5/31] 更新时间[2026/4/14 3:41:40] 级别[0] [评论] [收藏]

技术分类: 嵌入式系统  | 2007-06-04
作者:wormchen

引自EDN博客:wormchen

最近做一个控制板用到PCF8563时钟芯片,芯片的初始化和读写都很正常,但是再我实验掉电后时钟是否运行正常的时候(我用3VRC2032作备用电池)发现再次上电的时候分钟会很快增加。刚开始我还以为是我在五十几秒的时候掉电呢,后来经过几次不同时间掉电再上发现分钟还是很快会增加。后来我把秒也显示出来才发现每次掉电后再上电秒都是从54开始走起,这种问题我还是头一次遇到。程序能读出来和写入,我感觉驱动程序上应该不会有问题,那是什么问题呢:( ,难到是初始化的问题,再次看过一边手册并没有说要初始化,只是有一个启动和停止时钟的操作位。我掉电后是由备份电池供电继续供电,所以不需要初始化这一点我也排除了,再有就是上电的时候电源会不会影响8563,我仔细检查电路后觉得也不会因为这个,8563供电部分加有100uf的电容滤波况且手册上说他的供电电源范围很宽1~5.5V。然后我开始在QQ上请教一些朋友,结果他们也看不出我的程序有什么问题。后来我加的“AVR技术讨论”群里的一位朋友问了我一句:“加上拉电阻没?”,我的电路确实没加上拉电阻,当初我设计图纸的时候用的51的P1口
,本身是带上拉电阻的,虽然手册典型应用电路里有上拉电阻但设计电路时我就没加,后来在调试程序的时候PCF8563时钟数据读取和写入都很正常所以就觉得不加也可以。我实在是想不出还有其他什么问题会造成现在问题,索性焊上两个4.7K的电阻吧,反正又不费事如果不行不也就排除了这种可能性吗?在焊上两个上拉电阻后,掉电后再上电竟然正常了,我不放心又在不同秒的时候反复实验,发现时钟走的很正常。难道就没有加上拉电阻上电的时候影响了时钟芯片,我很疑惑,虽然问题解决了但我感觉还是糊里糊涂的,不知道问题的根源出在什么地方,希望看到这篇文章知道原因的朋友告诉我。

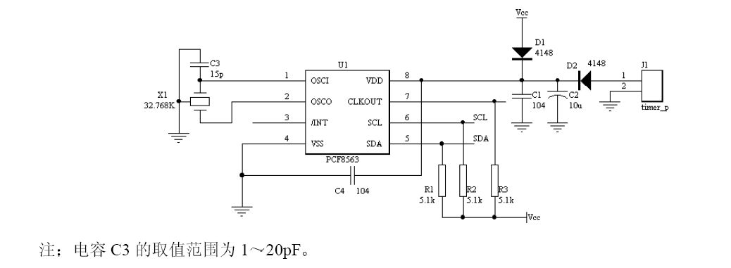
写这篇文章的目的是为了大家在用PCF8563时能够注意到这个问题(或许你根本不会遇到),在设计电路时也能细心仔细,不要应为一时的疏忽大意带来后期不必要的麻烦!下面是官方的典型应用电路:

点击看大图

1、 本站不保证以上观点正确,就算是本站原创作品,本站也不保证内容正确。
2、如果您拥有本文版权,并且不想在本站转载,请书面通知本站立即删除并且向您公开道歉! 以上可能是本站收集或者转载的文章,本站可能没有文章中的元件或产品,如果您需要类似的商品请 点这里查看商品列表!
本站协议 | 版权信息 |  关于我们 |  本站地图 |  营业执照 |  发票说明 |  付款方式 |  联系方式
深圳市宝安区西乡五壹电子商行——粤ICP备16073394号-1;地址:深圳西乡河西四坊183号;邮编:518102
E-mail:51dz$163.com($改为@);Tel:(0755)27947428
工作时间:9:30-12:00和13:30-17:30和18:30-20:30,无人接听时可以再打手机13537585389